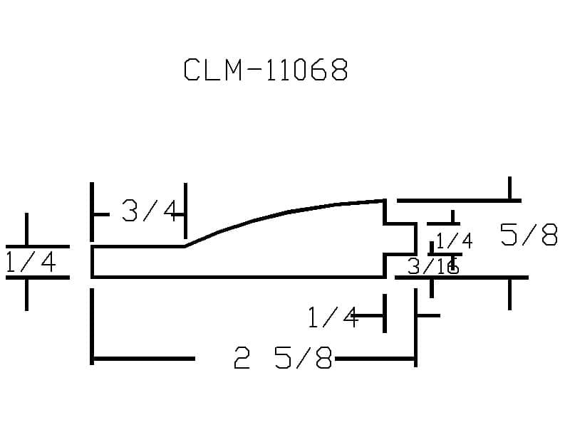
CLM 11068

Description

PDF Loading...